CNC water jet cutting machine,China waterjet cutter

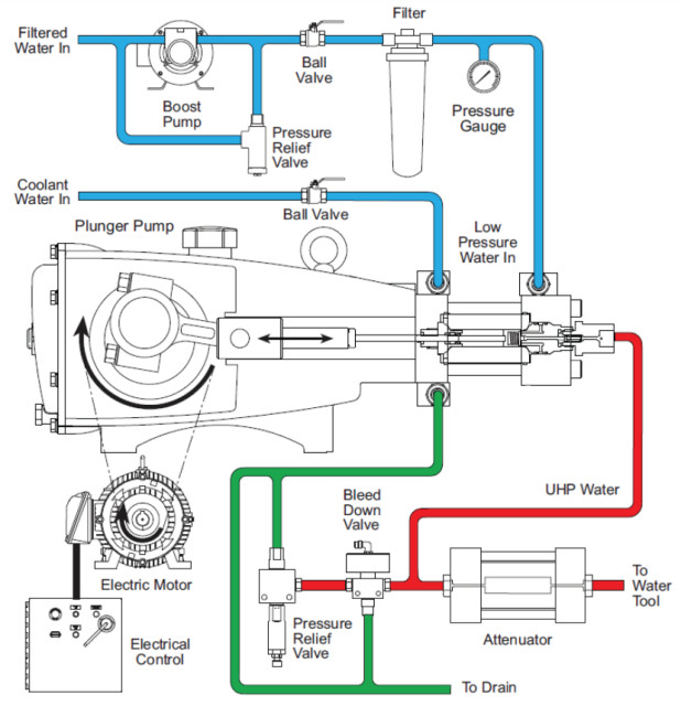
| The direct drive waterjet pump, also known as the three-cylinder pump, as the name implies, directly drives the crankshaft with three pistons to rotate, resulting in super high water pressure. Now it has matured and occupied a significant weight in the water cutting industry. More than 20% of the waterjets in the market use direct drive. |

| Technical Parameters | |
| Name | Servo Direct Drive Waterjet Pump |
| Model | EK-SOD 20 |
| Maximum pressure | 60000 Psi (413.8Mpa) |
| Continuous work pressure | 46000 Psi-55000 Psi (320-380Mpa) |
| Diameter of nozzle aperture | 0.3mm (0.012inch) |
| Maximum gemstone aperture | 0.33mm (0.013inch) |
| Maximum drainage | 3.5L/min |
| Inlet pressure | 0.4Mpa |
| Main motor power | 15kw (20Hp) |
| Power supply | 380V AC 50/60Hz 3phase |
| Pump size | 1600*800*900mm |
| Crankcase drive system | Three-cylinder crankshaft linkage structure |
| Ultra-high pressure boosting system | High pressure cylinder, ceramic piston rod, high pressure seal, low pressure seal, high pressure pipeline, check valve |
| Double row water filtration system | 5 Micron 1micron series |
| Fully automatic servo control system output pressure control mode, intelligent start and stop function. | |
| Overpressure automatic shutdown and undervoltage automatic protection | |
1,Water cutting machine special oil cooler.2,The main machine adopts new imported brand-name compressor,which is reliable...
1,Better guarantee the continuous and stable use of the hydraulic system. 2,More valuable water resources. 3,It can ensur...
Water softener Remove calcium and magnesium ions from water and prolong the service life of high-pressure parts such as h...
The WHB06 is a wireless remote control designed for water cutting systems. It can remotely operate water cutting machines...
Auto sand removal system is used for remove sand after water jet cutting.This equipment can save labor force to clean the...
5 axis waterjet cnc cutter is with 5 axis water jet cutting head and suit for cutting marble,granite,stainless steel,alum...